


KY-10型电动执行器
一、简介:
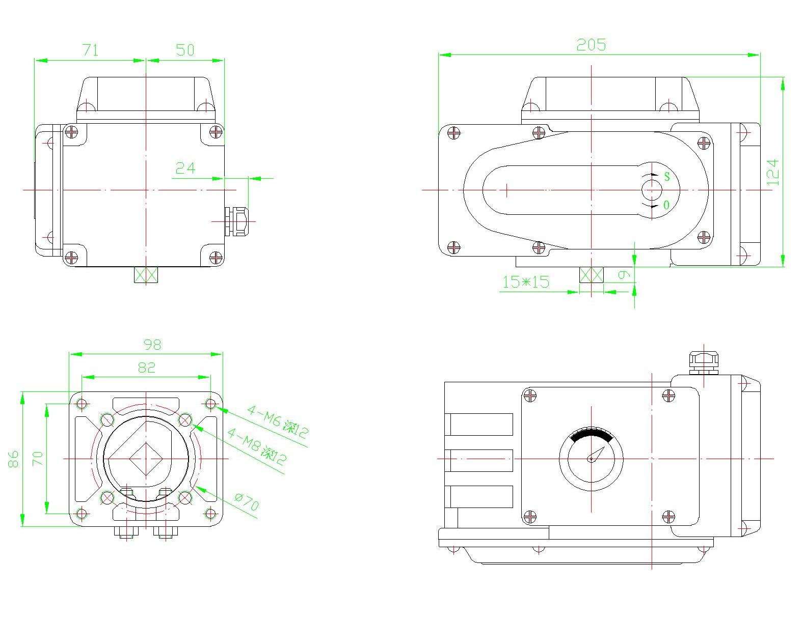
KY系列电动执行器用于控制0°~90°旋转的阀门及其他同类产品,如蝶阀、球阀、风门、旋塞阀、百叶阀等,它以AC380V、240V、220V、110V、DC12V、24V、220V交流电源为驱动电源,以4-20mA电流信号或0-10V DC 电压信号为控制信号,使阀门运动到所需位置,实现其自动化控制。可以广泛应用于石油、化工、电力、冶金、制药、造纸、能源、水处理、船舶、纺织、食品加工、楼宇自动化等领域。同时具有体积小、重量轻、外形紧凑、结构独特、起闭迅速、易于安装、操作力矩小,操作方便,数显阀位、无须维护及使用安全。
二、特点:
●小型轻便,容易拆装及维修,并可在任意位置安装
●结构简单、紧凑,90°回转启闭迅速
●操作扭矩小,省力轻巧
●流量特性趋于直线,调节性能好,多种控制信号:开关控制;
●比例(调节型)控制:0-10VDC或 4-20mA
●反馈输出可选4-20mA、辅助开关及反馈电位器(0~1K)
●电源电压AC110VAC220VAC380VAC415VAC24V 、DC24V
●IP67防护等级,室内室外均可安装
三、技术参数:
| 型号性能 | KY-10 | |||||
| 电源 | AC220V | AC380 | AC24V | DC24V | ||
| 力矩 | 100N.m | |||||
| 时间 | 10S/30S/60S | |||||
| 电机 | 23W | |||||
| 额定电流 | 0.32A | 0.19A | 3A | 2.4A | ||
| 耐压等级 | 1500VDC | 500VAC | ||||
| 绝缘电阻 | 100MΩ/500VDC | 100MΩ/300VDC | ||||
| 电路控制 | E、S、A、R、V、Z | |||||
| 转动角度 | 0 º~90 º | |||||
| 环境温度 | -25ºC~60ºC | |||||
| 防护等级 | IP-65 | |||||
| 重量 | 4Kg | |||||
| 箱体材质 | 铝合金压铸件 | |||||
| 限位 | 电气机械 | |||||
| 手动操作 | 附带手柄 | |||||
| 安装角度 | 任意角度 | |||||
| 选装功能 | 加热加湿器 | |||||
不断提升服务质量,精益求精,“真诚的服务”是嘉德永恒的主题。嘉德严格按照 ISO9001-2000 质量体系认证要求,质量严格把关,责任到人,确保生产、销售、服务的健康运行。加强与用户沟通,竭诚为广大客户提供优质产品,至善至美服务,特此我厂做出如下承诺:
产品严格按照中国 GB、HG 标准和美国 API 等标准设计、制造、验收。密封面硬度达到国家规定要求,宽度超过国家标准。
产品介绍,技术交流,非标产品设计,疑难解答。
守信合同,保证及时供货,随时保持与客户联系。
对特殊或复杂的产品,我厂安排技术人员对用户进行产品使用、故障排除、调式及维修进行培训和指导。
嘉德产品质保期为自出厂起 12 个月,实行“三包”服务(包退、包换、包修)。
产品在使用中我厂定期组织技术、检查人员进行访问,征询用户对产品质量、使用状况、改进意见等方面的反馈,以便进一步提高产品质量。
对用户投诉产品质量问题,快速做出反映,售后服务人员在 24-36 小时(省外 48 小时)赶赴现场。
对售后服务,要求用户填写服务后的质量反馈表,并做出鉴定意见,一边提高嘉德的服务质量。
客户采购清单请传真至 021-66525619,或来电咨询 021-66528888 021-66520586 021-56037070。
收到客户采购清单,为客户提供阀门型号选型与报价(价格清单)。
具体商定:交货期、特殊要求等事宜。
客户对产品有特殊要求,须在订货合同中提供以下说明:
结构长度
连接形式
公称直径、全通径、缩径、管道尺寸
运用介质及温度、压力范围
实验、检验标准及其他要求
本场可根据客户特殊要求配置各类驱动装置。
如由客户提供确定的阀门类型和型号时,客户应正确说明其型号的含义和要求,在供需双方理解一致的条件下签订合同。


